
產品分類:三次元振動篩
產品優勢:豆漿就是大豆加水研磨,就是把細胞中蛋白體內的蛋白質抽提出來的過程。中國豆漿傳統的加工方法是將原料大豆處理干凈,用水浸泡使豆粒膨脹及組織軟化,加水磨碎使蛋白質游離,將
全國統一銷售熱線:0373-268 2333
豆漿就是大豆加水研磨,就是把細胞中蛋白體內的蛋白質抽提出來的過程。中國豆漿傳統的加工方法是將原料大豆處理干凈,用水浸泡使豆粒膨脹及組織軟化,加水磨碎使蛋白質游離,將磨碎的豆糊加水經3次過濾,棄去豆渣而取得生豆漿。煮沸后便是成品豆漿。豆奶的加工工藝中主要增加了消除豆腥味的工序。如采取燙豆、熱磨、堿泡、真空抽氣等措施。也有用到避免異味產生的原料,即改用大豆分離蛋白、脫脂豆粕等。
1、黃豆洗凈后用清水浸泡,冬天可浸泡一夜,如能出點芽更好。夏天溫度高注意勿泡過久,約5-8小時即可,泡后未馬上做可放冰箱。
2、將浸泡過的黃豆再洗一下,加水放入電鍋內鍋,比例為一杯黃豆加一杯水或是水蓋過黃豆即可。
3、電鍋外鍋加水一杯,就像用電鍋煮飯一樣,待開關自動跳起約25分鐘,黃豆煮熟后掀開電鍋讓黃豆降溫。
4、取適量煮過的黃豆放入果汁機,加入生水(水量關系濃淡自行決定),攪打之后以濾布過濾再煮開。
5、豆渣還可再加入3-5杯水搓柔出豆漿汁,與先前打成漿的混一起煮,充份利用不浪費。
6、再將浮上的泡沫以網杓濾干凈,再開小火繼續攪拌煮滾5-8分鐘,放入糖后即可熄火。
豆漿過濾振動篩逐漸替代傳統制作工藝,節省大量了的人力,財力,提高了產量。這里大漢振動篩廠家根據豆漿特性推薦客戶使用不銹鋼旋振篩。不銹鋼振動篩在豆漿行業得到客戶的一致好評。
豆漿過濾不銹鋼振動篩簡稱豆漿過濾篩分機,由于振動篩在豆漿過濾篩分中需要將豆渣等漿渣進行過濾的過程去除豆漿液的雜質,因此也可以叫做豆漿去除雜質振動篩。


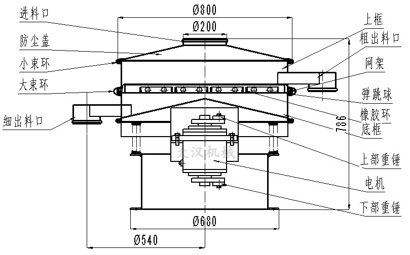
豆漿過濾振動篩由直立電機作激振源,電機上下兩端安裝有偏心重錘,將電機的旋轉運動轉變為水平、垂直、傾斜的三次元運動,再把這個運動傳遞給篩面。調節上、下兩端重錘的相位角,可以改變物料在篩面的運動軌跡。過濾豆漿的話,我們一般將旋振篩上下重錘的夾角調至90度。



1、篩分精度高,效率高,粉、粒、粘液類皆可適用。
2、焊接部件無死角,易清洗消毒。
3、DH系列旋振篩采用新型網架結構,篩網使用壽命長久,換網只需3-5分鐘。
4、整機可單層、多層篩網使用。
5、體積小不占空間,移動方便,出口可以360度任意調整。
6、篩框與物料接觸部分全部采用不銹鋼制作。