
產品分類:三次元振動篩
產品優勢:肥料的篩分除雜大漢振動篩推薦使用肥料不銹鋼振動篩。該機直徑1500mm一層兩個出料口,上半部與物料接觸部分為304不銹鋼材質,底座為碳鋼材質,對衛生級別要求不高的客戶可以使用
全國統一銷售熱線:0373-268 2333
肥料的篩分除雜大漢振動篩推薦使用肥料不銹鋼振動篩。該機直徑1500mm一層兩個出料口,上半部與物料接觸部分為304不銹鋼材質,底座為碳鋼材質,對衛生級別要求不高的客戶可以使用。



1. 效率高、設計精巧耐用,粉類、粘液均可篩分。
2. 換網容易、操作簡單、清洗方便。
3.網孔不堵塞、粉末不飛揚、可篩至400目或0.028mm。
4.雜質、粗料自動排出,可以連續作業。

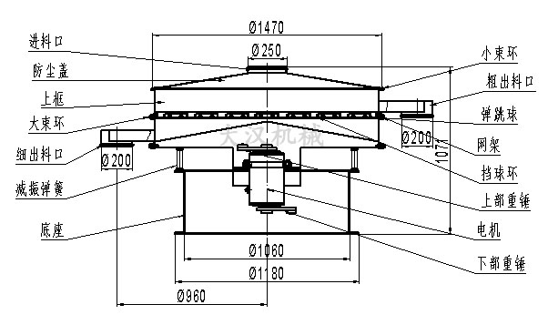
肥料振動篩由直立式振動電機作為激振源,電機上、下兩端安裝有偏心重錘,將電機的旋轉運動轉變為水平、垂直、傾斜的三次元運動,再把這個運動傳遞給篩面進行篩分。調節上、下兩端的相位角,可以改變物料在篩面上的運動軌跡。


?、旁O備應有穩定的基礎。當設備安裝于一般地面或水泥基礎上時,可以不設置地腳螺栓。當設備安裝于鋼結構架臺之上時,應用螺栓緊固于結構體上,而且鋼結構架臺應有一定的鋼度。本機只需三相開關一只(備注:好使用電氣控制盤),用蛇皮管穿線,將電機接至電源即可,注意電氣控制盤應懸掛安裝于墻上。
⑵設備出廠前已將篩網裝妥,使用過程中的篩網更換可自己更換。
?、情_機前,應先檢查各壓緊螺栓的緊固程度,及各料口的位置是否與接料器對正,并觀察振動電機是否能正常轉動及彈簧受力有無阻礙,檢查各層篩網是否壓緊。
?、犬?a href='http://m.ahhfgjg.cn/390.html' target='_blank'>旋振篩接入電氣控制盤之前,應首先對電氣控制盤進行檢查。線路接通后觀察振動電機旋轉方向是否是順時針方向, (備注:否則應改變相序)運轉是否正常,有無異噪聲。
?、烧{節振動電機上下偏心塊的相位角,以適應各種物料篩分情況。
售后服務:
1.保修期內非因操作不當造成需要更換的零配件及設備由我廠負責包修、包換。
2.質量保證期結束后,我廠將繼續免費提供售后服務,不限年份終身服務,僅收取零部件成本費,免收人工費,免收維修費。
服務承諾:
為了向您提供完善的售后服務,請將您的寶貴意見、建議及要求反饋給我廠。我們感謝貴單位使用我廠的產品,我廠建立有完整的營銷網絡及完善的售后服務體系,售后服務部已將您購買的產品建立了信息檔案。如果您購買的產品出現質量問題,我們將及時為您提供全方位的服務。